0086 15335008985
Pendahuluan singkat
Katup kupu-kupu soFt seal flensa pneumatik D641x memiliki desain yang Baru dan masuk akal, struktur sederhana, ukuran kecil, bobot ringan, rotasi 90 derajat, pembukaan dan penutupan cepat, torsi operasi kecil, operasi yang mudah, penghematan tenaga kerja, dan cekatan. Ini dapat dipasang di posisi apa pun dan mudah dipelihara. Segel dapat diganti, kinerja penyegelan dapat diandalkan untuk mencapai penyegelan dua arah dan nol kebocoran, dan bahan penyegelan tahan terhadap penuaan dan korosi, dan memiliki masa pakai yang panjang. Ketika katup kupu -kupu flensa berada dalam posisi terbuka sepenuhnya, ketebalan pelat kupu -kupu adalah satu -satunya resistensi ketika medium mengalir melalui tubuh katup. Oleh karena itu, penurunan tekanan yang dihasilkan oleh katup sangat kecil, sehingga memiliki karakteristik kontrol aliran yang baik. Katup kupu -kupu tidak hanya banyak digunakan dalam industri umum seperti minyak bumi, gas, industri kimia, dan pengolahan air, tetapi juga dalam sistem air pendingin pembangkit listrik tenaga air.
Parameter teknis
| Fitur opsional aktuator pneumatik | Akting ganda, akting tunggal |
| Model opsional aktuator pneumatik | AT Series, Seri AW |
| Tegangan katup solenoid | AC110V, AC220V, AC24V, DC24V |
| Tekanan sumber udara | 2bar ~ 8bar |
| Diameter nominal | DN25MM-DN1200mm |
| Tekanan nominal | PN1.0MPA-PN1.6MPA |
| Suhu yang berlaku | EPDM: -30- 100ºC PTFE: -30- 120ºC |
| Koneksi | Flens |
| Bahan Tubuh Katup | Besi ulet, baja karbon, baja tahan karat, nilon |
| Bahan pelat katup | Besi yang tamak, 304, 316, 316L, 2507, 1.4529, pelat tembaga, dll. |
| Lapisan kursi katup | NBR, EPDM, PTFE |
| Media yang berlaku | Air, gas, bubur, minyak, dll. |
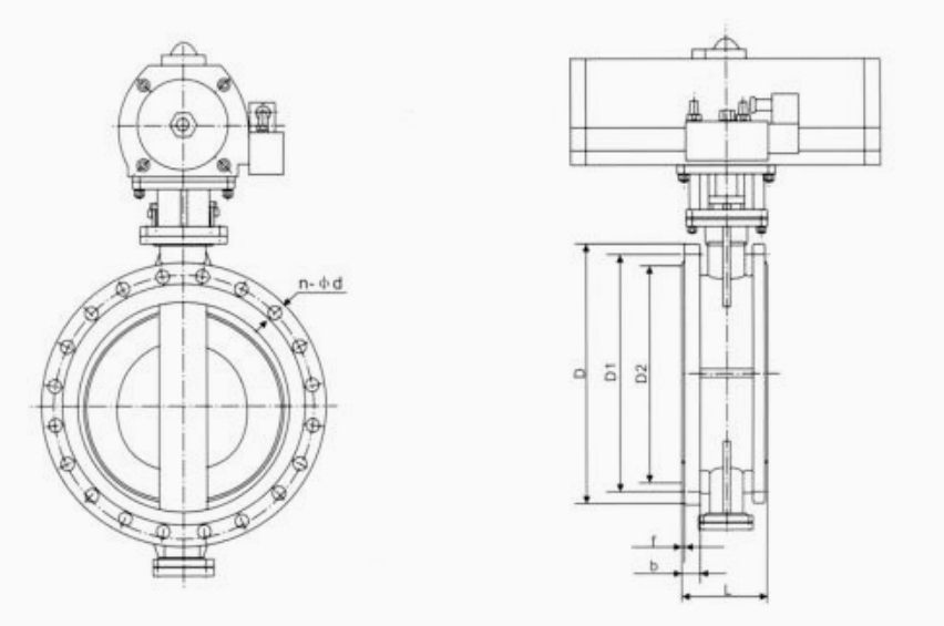
Tabel dimensi utama
| Dn (mm) | L | D | D1 | D2 | n-φd | b | f |
| 50 | 108 | 165 | 125 | 99 | 4-φ18 | 20 | 2 |
| 65 | 112 | 185 | 145 | 118 | 4-φ18 | 20 | 2 |
| 80 | 114 | 200 | 160 | 135 | 8-φ18 | 20 | 2 |
| 100 | 127 | 220 | 180 | 156 | 8-φ18 | 22 | 2 |
| 125 | 140 | 250 | 210 | 184 | 8-φ18 | 22 | 2 |
| 150 | 140 | 285 | 240 | 211 | 8-φ22 | 24 | 2 |
| 200 | 152 | 340 | 295 | 266 | 12-φ22 | 24 | 2 |
| 250 | 165 | 405 | 355 | 319 | 12-φ26 | 26 | 2 |
| 300 | 178 | 460 | 410 | 370 | 12-φ26 | 28 | 2 |
| 350 | 190 | 520 | 470 | 429 | 16-φ26 | 30 | 2 |
| 400 | 216 | 580 | 525 | 480 | 16-φ30 | 32 | 2 |
| 450 | 222 | 640 | 585 | 548 | 20-φ30 | 40 | 2 |
| 500 | 229 | 715 | 650 | 609 | 20-φ33 | 44 | 2 |
| 600 | 267 | 840 | 770 | 720 | 20-φ36 | 48 | 2 |
| 700 | 292 | 910 | 840 | 754 | 24-φ36 | 50 | 5 |
| 800 | 318 | 1025 | 950 | 901 | 24-φ39 | 52 | 5 |
| 900 | 330 | 1125 | 1050 | 1001 | 28-φ39 | 54 | 5 |
| 1000 | 410 | 1255 | 1170 | 1112 | 28-φ423 | 56 | 5 |
























